H30法規05(木造建築士学科試験問題)
2018年12月27日 H30法規05(木造建築士学科試験問題)
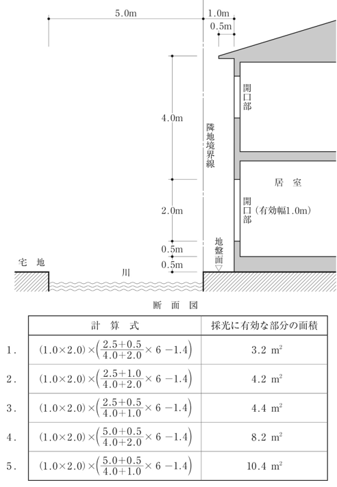
第一種住居地域内(建築基準法第86条第10項に規定する公告対象区域外とする。)において、川に面して図のような断面を有する住宅の1階の居室の開口部で、建築基準法上、採光に有効な部分の面積は、次のうちどれか。
正解(3)
令第20条第2項第一号より採光補正係数の計算式は、D/H×6.0−1.4である。また、川に類する水面に面する場合にあっては、水面の幅の1/2だけ隣地境界線の外側にある線を境界線とみなす。
n-35596291 at 9:0 | この記事のURL | |









