H26法規18(木造建築士学科試験問題)
2014年12月17日 H26法規18(木造建築士学科試験問題)
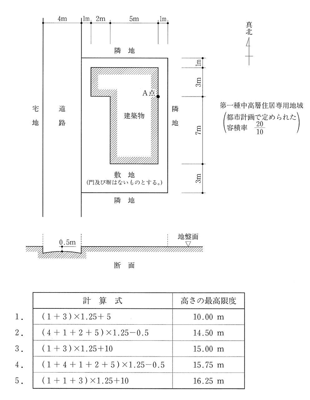
図のような敷地において、建築物を新築する場合、建築基準法上、A点における地盤面からの建築物の高さの最高限度は、次のうちどれか。ただし、敷地及び隣地の相互間に高低差はなく、道路の路面の中心の高さは敷地の地盤面より0.5m低い位置にあるものとし、図に記載されているものを除き、地域、地区等及び特定行政庁の指定等はないものとする。また、日影による中高層の建築物の高さの制限及び天空率は考慮しないものとする。

正解(3)
高さ制限についての問題。第一種中高層住居専用地域は、北側高さ制限を受ける。法第56条第1項第三号10m+1.25×lより、10m+1.25×(1+3)=15.00m
n-35596291 at 9:0 | この記事のURL | |









